環保雙軸螺旋加濕機生產廠家
螺旋加濕機-環保雙軸螺旋加濕機生產廠家-原理特點價格參數[奧創機械] 13353676726
雙軸螺旋加濕機用途:
SJS系列雙軸螺旋加濕機主要用于各類灰庫干灰進行噴水加濕攪拌及輸送粉狀,以達到環保外運的要求。該產品適用于化工、礦山、電廠、鋼廠等含固體顆粒物料的加濕、攪拌和輸送。
雙軸螺旋加濕機工作原理及特點:
SJS系列雙軸加濕機裝有一對高強度的攪拌軸,軸上以一定角度及螺距分布著多片扇型攪拌葉片,兩根攪拌軸反向旋轉對加濕的干灰進行均勻攪拌、螺旋輸送。 其優點是攪拌效率高,系統密封嚴密,無飛灰外揚。減速機結構緊湊,占地面積小,傳動平穩,噪音低,攪拌均勻,葉片耐磨性好,操作維修方便,運行可靠。
雙軸螺旋加濕機優點:
1. 葉片上方根據加濕機型號及加濕量裝有數組噴嘴,每組有數十個噴水口,噴水均勻,使灰水混合達到佳效果。每組噴口拆卸方便,便于定期檢察、清洗。
2. 耐磨鑄鋼(或耐磨陶瓷)制成的攪拌葉片,是攪拌機使用壽命長的可靠保證。根據我們多年的經驗,部分位置采用反向葉片,使攪拌更充分。
3. 優異的軸座及密封裝置結構設計,不僅檢修方便,而且徹底消除灰水的滴漏。
4. 寬敞的翻轉快開檢修門使檢修工作更輕松。
5. 殼體底部的采用分水嶺結構,剩灰率低,確保設備內無死角。
6. 靈活、可靠的成套電氣控制系統,操作安全、簡便。
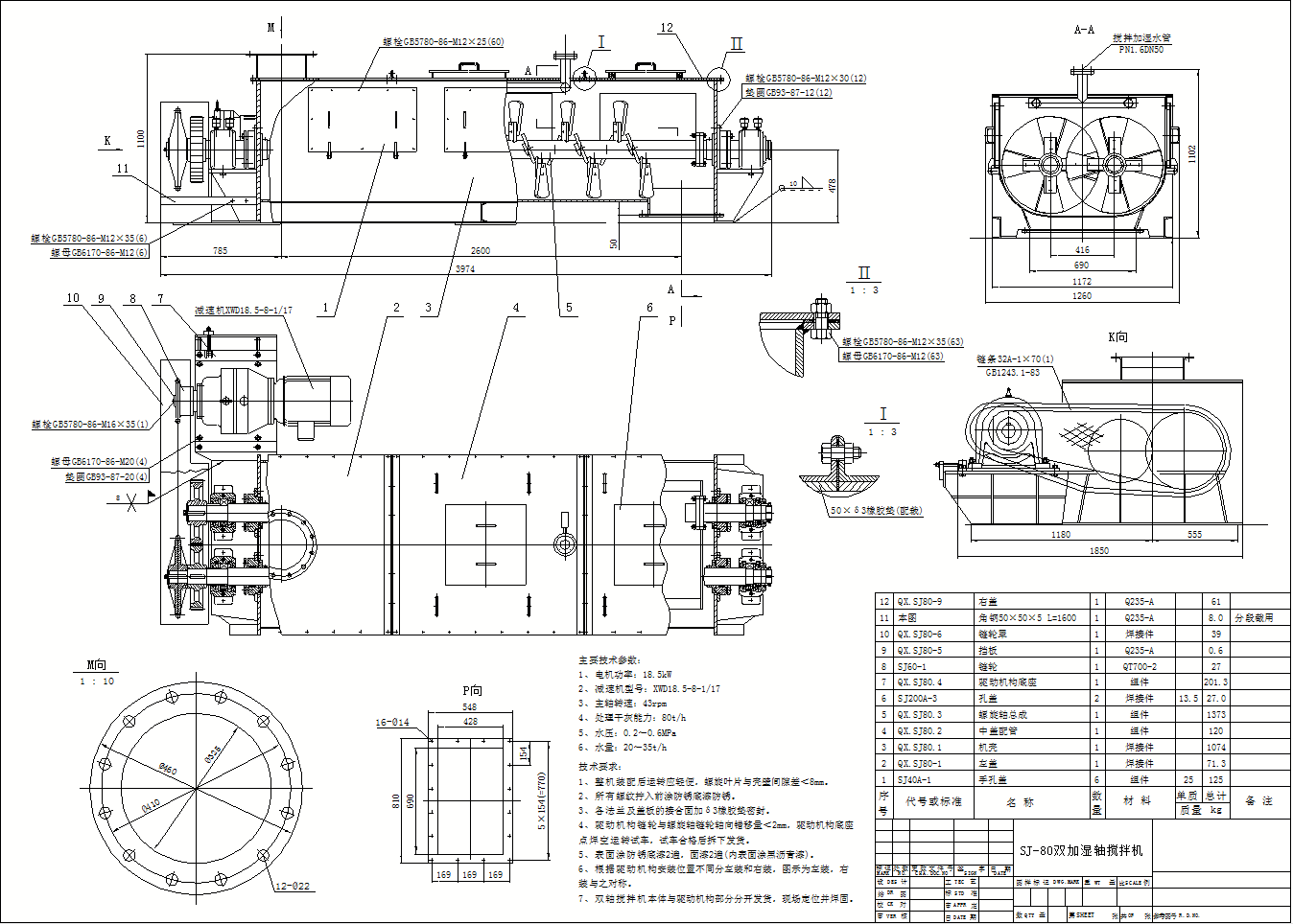
雙軸螺旋加濕機圖紙:
雙軸螺旋加濕機參數:
|
|
SJS350 |
SJS400 |
SJS450 |
SJS500 |
|
|
生產能力 (m3/h) |
15 |
30 |
50 |
80 |
120 |
|
加濕方式 |
雙軸復合式攪拌 |
||||
|
主從動軸轉速 (rpm) |
60 |
60 |
60 |
60 |
60 |
|
電機參數 |
7.5kw |
11kw |
18.5kw |
22kw |
37 kw |
|
平均加水量(m3/h) |
2.2~3.7 |
4.5~7.5 |
7.5~12.5 |
12~20 |
18~30 |
|
粉塵加濕后平均含水量(%) |
15 ~ 25 |
||||
|
水壓范圍Mpa |
0.3 ~ 0.6 |
||||
|
適用溫度 (℃) |
≤300 |
||||
|
水管接口尺寸 |
Dg25 |
Dg32 |
Dg40 |
Dg40 |
Dg50 |
注:1、根據加濕量的不同,我們會采用不同的轉速,不同的加濕段長度及不同的噴水口等方式大限度滿足客戶的要求
2、 我公司還可根據用戶的要求,定制特殊規格的粉塵加濕機。
河南奧創機械-篩分設備生產廠家-提供價格方案流程安裝,主營制造各類振動篩分機,輸送機,提升機,給料機,除塵器等,整機質保
[奧創機械]-微信手機同號13353676726


