礦山物料提升機
作者 奧創機械
來源 奧創機械
瀏覽
發布時間 18/05/22

物料提升機
應用行業:礦山、煤炭、冶煉、建材、耐火材料、輕工、化工
適用物料:適用各種物料
價格區間:1000元-50萬之間 處理能力:0.5-200 t/h
物料提升機簡介
奧創機械生產的物料提升機不是建筑行業電梯式提升機,是專門針對礦山、煤炭、冶煉、建材、耐火材料、輕工、化工等,大中小塊物料連續垂直提升處理,使用方便,造價便宜,是多數廠家必選提升機械。
奧創物料提升機有多種形式,螺旋提升、斗式提升、帶式提升、鏈板提升,我們的工程師可根據客戶需求,設計出最適合您使用的提升機,歡迎你來電咨詢。
奧創物料提升機安全規程
1、提升機由指定人員進行維護和管理,電源開關箱的鑰匙由指定人員管理。
2、提升機必須有卷揚限制器和行程限位器,限制器應使滑輪在提升到距離卷筒或滑輪300mm以前時能自動停止。動作靈敏可靠,并進行試吊。
3、提升機應有最大負荷標志,在提升、降落時重量不許超負荷(1T)。
4、送電后,檢查卷揚限制器、行程限位器、聯鎖開關等安全裝置
5、起吊、降落前,鳴鈴示警后,方可開車。
6、提升機決對不允許載人上、下。
7、工作完后,提升機吊盤應落地,然后切斷電源,關好上下護欄門。
8、經常保持提升機周圍環境衛生。
奧創物料提升機注意事項
1、應空負荷開車。所以每次停機前應排盡所有料斗內的物料,然后再停車。
2、不能倒轉。倒轉即可能發生鏈條脫軌現象,排除脫軌故障很麻煩。
3、均勻喂料。禁止突然增大喂料量。喂料量不能超過提升機的輸送能力。否則容易造成底部的物料堆積嚴重時發生“悶車”事故。
4、及時適量補充潤滑油。
5、鏈條和料斗嚴重磨損或損壞時應及時更換。
物料提升機型號參數
斗式提升機型號參數:NE\TD\GTD\HL\TB等型號
| 型號 |
最大給料粒度mm |
料斗 |
提升高度m |
最大提升能力 (立方米/h) |
電動機功率 提升機重量 |
| 斗距mm |
寬度MM |
容量L |
| TB250 |
90 |
200 |
250 |
3 |
5-40 |
25 |
按具體的垂直斗式提升機訂貨總圖核計確定 |
| TB315 |
100 |
200 |
315 |
6 |
46 |
| TB400 |
110 |
250 |
400 |
12 |
75 |
| TB500 |
130 |
320 |
500 |
25 |
95 |
| TB630 |
150 |
400 |
630 |
50 |
148 |
|
注:表中最大輸送能力是按填充系數ψ-0.8計算得出的,僅供參考。
|
螺旋提升機型號參數:GX\ls等型號
| 規 格 |
主要技術性能 |
驅動裝置 |
驅動裝置 |
重量
(kg) |
| 直徑 |
長度
(m) |
產量
(水泥)
t/h |
轉速
min-1 |
減速機 |
電動機 |
| 型號 |
速比 |
型號 |
功率
(kw) |
| GX200 |
-10 |
9 |
60 |
JZQ250 |
23.34 |
Y90S-4 |
1.1 |
726 |
| GX200 |
-20 |
9 |
60 |
JZQ250 |
23.34 |
Y90L-4 |
1.5 |
1258 |
| GX250 |
-10 |
15.6 |
60 |
JZQ250 |
23.34 |
Y100L2-4 |
2.2 |
960 |
| GX250 |
-20 |
15.6 |
60 |
JZQ250 |
23.34 |
Y100L1-4 |
3 |
1750 |
| GX300 |
-10 |
21.2 |
60 |
JZQ350 |
23.34 |
Y100L2-4 |
3 |
1373 |
| GX300 |
-20 |
21.2 |
60 |
JZQ350 |
23.34 |
Y112M-4 |
4 |
2346 |
| GX400 |
-10 |
51 |
60 |
JZQ400 |
23.34 |
Y132S-4 |
5.5 |
1911 |
| GX400 |
-20 |
51 |
60 |
JZQ500 |
23.34 |
Y160M-4 |
11 |
2049 |
| GX500 |
-10 |
87.5 |
60 |
JZQ400 |
23.34 |
Y132M-4 |
7.5 |
2381 |
| GX500 |
-20 |
87.5 |
60 |
JZQ650 |
23.34 |
Y180M-4 |
18.5 |
5389 |
| GX600 |
-10 |
134.2 |
45 |
JZQ750 |
23.34 |
Y180L-4 |
22 |
3880 |
| GX600 |
-10 |
134.2 |
45 |
JZQ850 |
23.34 |
Y250M-4 |
55 |
7090 |
垂直振動式提升機型號參數:
| 型號 |
輸送量
(t/h) |
輸送槽直徑
(mm) |
輸送寬度
(mm) |
輸送高度
(m) |
振次
(min) |
雙振幅
(mm) |
電動功率
(kw) |
重量
(kg) |
| DZC300 |
~1.0 |
300 |
77 |
≤2.0 |
960 |
6~7 |
2×0.4 |
680 |
| DZC500 |
~2.0 |
500 |
140 |
≤3.0 |
6~8 |
2×0.75 |
1010 |
| DZC550 |
~3.0 |
550 |
152 |
≤3.5 |
6~8 |
2×1.5 |
1190 |
| DZC600 |
~3.0 |
600 |
163 |
≤4.0 |
6~7 |
2×1.5 |
13210 |
| DZC800 |
~4.0 |
800 |
224 |
≤4.5 |
6~8 |
2×2.2 |
1590 |
| DZC850 |
~4.0 |
850 |
224 |
≤5.0 |
6~9 |
2×2.2 |
1750 |
| DZC900 |
~3.5 |
900 |
185 |
≤6.0 |
6~9 |
2×3.0 |
2100 |
物料提升機工作原理

物料提升機結構圖紙
帶式物料提升機結構圖紙

Z型物料提升機結構圖

垂直式物料提升機結構圖

斗式物料提升機結構圖

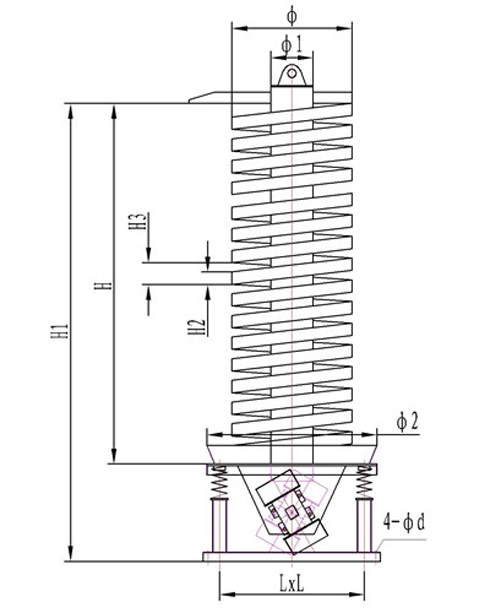
螺旋式物料提升機結構圖

物料提升機圖片大全


挖斗提升機廠家
河南奧創斗式提升機廠家是一家以物料提升機研發生產為主要營業范圍的廠家,可為粉末、冶金、化工、醫藥、礦山、建材、玻璃、食品、涂料、陶瓷、煤炭、石英砂等求購斗式提升機的廠家根據物料屬性提供垂直、皮帶、環鏈、板鏈斗式提升機的行業解決方案,其中包括斗式提升機結構圖紙繪畫、價格計算、廠家真機圖片展示,及到廠實地考察接待,歡迎實地考察!
訂購網址請登錄河南奧創機械有限公司官方網站: m.popiao.cn 24小時服務熱線:13353676726
了解更多有關礦山物料提升機的信息收藏我們的信息:m.popiao.cn 聯系人:杜謙 15537338466 |